Κωδικός QR
Σχετικά με εμάς
Προϊόντα
Επικοινωνήστε μαζί μας

Τηλέφωνο

Φαξ
+86-574-87168065

ΗΛΕΚΤΡΟΝΙΚΗ ΔΙΕΥΘΥΝΣΗ

Διεύθυνση
Βιομηχανική περιοχή Luotuo, περιοχή Zhenhai, πόλη Ningbo, Κίνα
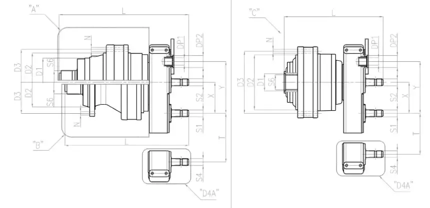
| Μοντέλο | PG-702 | PG-1002 | PG-1602 | PG-1802 | PG-2502 | PG-3002 | PG-3503 | |||
| Αναλογία i | 18.2 | 18.3 | 13.4-33.6 | 15,7-29,9 | 14.6-20-36.2 | 45.3 | 53.7 | |||
| Τύπος εξόδου | B | B | B | C | B | C | A | C | C | C |
| Δ1 |
|
|
|
88 HB |
|
88 HB | 245F7 | 102Η7 | 102Η7 | 122 HF |
| Δ2 | 200F7 | 230F7 | 230F7 | 278F7 | 230F | 278F7 | 340F7 | 340F7 | 340F7 | 340F7 |
| D3 | 250 | 295 | 295 | 314 | 295 | 314 | 370 | 370 | 370 | 370 |
| N | ∅15×N°12 | ∅17×N°10 | ∅17×N°10 | ∅15×N°18 | ∅17×N°10 | ∅15×N°18 | ∅17×N°15 | ∅17×N°15 | ∅17×N°15 | ∅17×N°15 |
| L | 646.5 | 627.5 | 693 | 490.5 | 714 | 499.5 | 798.5 | 595.5 | 601 | 680.5 |
| S6 | 70*64 DIN5482 | 80*74 DIN5482 | 100*94 DIN5482 | 80*74 DIN5482 | 100*94 DIN5482 | 80*74 DIN5482 | 100*94 DIN5482 | 100*94 DIN5482 | 100*94 DIN5482 | 120*22*5 DIN5482 |
| S1 | 1" 3/8 Z6 | 1" 3/8 Z6 | 1" 3/8 Z6 | 1" 3/8 Z6 | 1" 3/8 Z6 | 1" 3/8 Z6 | 1" 3/8 Z6 | 1" 3/8 Z6 | 1" 3/8 Z6 | 1" 3/8 Z6 |
| S2 | 1" 3/8 Z6 | 1" 3/8 Z6 | 1" 3/8 Z6 | 1" 3/8 Z6 | 1" 3/8 Z6 | 1" 3/8 Z6 | 1" 3/8 Z6 |
|
|
|
| DP1 | 40*36 DIN5482 | 40*36 DIN5482 | 40*36 DIN5482 | 40*36 DIN5482 | 40*36 DIN5482 | 40*36 DIN5482 | 40*36 DIN5482 | 40*36 DIN5482 | 40*36 DIN5482 | 40*36 DIN5482 |
| DP2 | 60,3 HB | 60,3 HB | 60,3 HB | 60,3 HB | 60,3 HB | 60,3 HB | 60,3 HB | 60,3 HB | 60,3 HB | 60,3 HB |
| X | 157 | 157 | 157 | 157 | 157 | 157 | 157 | 157 | 157 | 157 |
| Y | 262 | 262 | 262 | 262 | 262 | 262 | 262 | 262 | 262 | 262 |
| S4 |
|
|
|
1" 3/8 Z6 |
|
1" 3/8 Z6 |
|
1" 3/8 Z6 | 1" 3/8 Z6 | 1" 3/8 Z6 |
| T |
|
|
|
156.8 |
|
156.8 |
|
156.8 | 156.8 | 156.8 |
| Μοντέλο | Αναλογία i | Δ1 | Δ2 | D3 | Δ4 | N | E |
| PG-1602 | 22.14-33.6 | 80*74 DIN5482 | 225 F7 | 278 F7 | 314 | ∅15×N°18 | SAE B/SAE C |
| PG-2502 | 20-36.2 | 100*94 DIN5482 | 245 F7 | 340F7 | 370 | ∅17×N°15 | SAE B/SAE C |
| Μοντέλο | Αναλογία i | Δ1 | Δ2 | D3 | N | E |
| PG-161 | 3,55-2,49-5,60 | 40*36 DIN5482 | 110 F7 | 165 | ∅10,5×N°8 | ΣΑΕ Α/ΣΑΕ Β/ΣΑΕ ΒΒ/ΟΜΤΣ |
| PG-251 | 4.13-5.17-6.00 | 58*53 DIN5482 | 150 F7 | 195 | ∅13×N°10 | ΣΑΕ Α/ΣΑΕ Β/ΣΑΕ ΒΒ/ΟΜΤΣ |
| PG-501 | 4.13-5.17-6.00 | 58*53 DIN5482 | 150 F7 | 195 | ∅13×N°10 | ΣΑΕ Α/ΣΑΕ Β/ΣΑΕ ΒΒ/ΟΜΤΣ |
Η ανάπτυξη τουΠλανητικό κιβώτιο ταχυτήτων μείκτη τροφοδοσίας σειράς PGπηγάζει από μια βαθιά γνώση των σημείων πόνου του συστήματος μετάδοσης του παραδοσιακού εξοπλισμού ανάμειξης. Η αρχιτεκτονική μετάδοσης των τριών πλανητικών γραναζιών δεν είναι μια απλή στοίβαξη μηχανικών δομών, αλλά μέσω επαναλαμβανόμενης προσομοίωσης των συνθηκών τάσης κάτω από διαφορετικές αναλογίες πρώτων υλών, προσδιορίζεται τελικά ο χρυσός συνδυασμός συντελεστή μετάδοσης, πλάτος δοντιού και γωνία έλικας. Για παράδειγμα, κατά την επεξεργασία μίσχων καλαμποκιού και μειγμάτων σόγιας, ο μοναδικός σχεδιασμός των δοντιών με έλικες μπορεί να μειώσει τον κίνδυνο εμπλοκής υλικού κατά 15%. Με τη διαδικασία λείανσης υψηλής ακρίβειας, η τραχύτητα της επιφάνειας των δοντιών ελέγχεται κάτω από το Ra0,8, γεγονός που αυξάνει την απόδοση μετάδοσης κατά 8%-10% σε σύγκριση με τα παραδοσιακά κιβώτια ταχυτήτων. Τα δεδομένα μέτρησης ενός εργοστασίου τροφοδοσίας δείχνουν ότι σε 12 ώρες συνεχούς λειτουργίας την ημέρα, η κατανάλωση ενέργειας αυτού του κιβωτίου ταχυτήτων είναι 14% χαμηλότερη από αυτή παρόμοιων προϊόντων και το πλάτος διακύμανσης της ροπής του άξονα ανάμειξης μειώνεται κατά 22%, γεγονός που βελτιώνει σημαντικά την ομοιομορφία ανάμειξης.
Για σκληρά σωματίδια όπως η άμμος, η πέτρα και τα υπολείμματα μετάλλων που συχνά αναμειγνύονται με πρώτες ύλες ζωοτροφών, αυτό το κιβώτιο ταχυτήτων έχει στοχευτεί ως προς τα υλικά και τις διεργασίες. Το σώμα του γραναζιού είναι κατασκευασμένο από κράμα χάλυβα 20CrMnTi. Μετά από θεραπεία σβέσης με βάθος ενανθράκωσης 1,2 mm, σε συνδυασμό με διαδικασία σκλήρυνσης σε χαμηλή θερμοκρασία, η αντοχή κόπωσης στην κάμψη της ρίζας του δοντιού αυξάνεται σε περισσότερο από 850 MPa. Κάτω από τις ακραίες συνθήκες εργασίας του ελλιπούς ελέγχου της πρώτης ύλης σε ένα ράντσο, η αντίστασή του στα σκασίματα έχει αντέξει σε μια συνεχή δοκιμή πρόσκρουσης άμμου και χαλίκι 500 ωρών και μόνο ελαφρές γρατσουνιές εμφανίστηκαν στην επιφάνεια του δοντιού χωρίς να ξεφλουδίσει. Ταυτόχρονα, βελτιστοποιώντας τη διάταξη της πλάκας νευρώσεων και την προφόρτιση του πλανητικού φορέα, το κιβώτιο ταχυτήτων μπορεί να διατηρήσει την ακρίβεια μετάδοσης όταν υποβάλλεται σε στιγμιαία πρόσκρουση 1,5 φορές την ονομαστική ροπή, αποφεύγοντας τον κίνδυνο κακής ευθυγράμμισης της ταχύτητας ή θραύσης των δοντιών λόγω υπερφόρτωσης.
Ο έξυπνος σχεδιασμός του κιβωτίου ταχυτήτων προέρχεται από τη βαθιά κατανόηση των σημείων πόνου της λειτουργίας και της συντήρησης στη βιομηχανία επεξεργασίας ζωοτροφών. Η ενσωματωμένη έξυπνη μονάδα παρακολούθησης δεν είναι ένας απλός συλλέκτης δεδομένων, αλλά μια διασταυρούμενη ανάλυση θερμοκρασίας, κραδασμών, ρεύματος και άλλων σημάτων μέσω ενός μοντέλου αλγορίθμου. Για παράδειγμα, όταν ανιχνευτεί ότι η θερμοκρασία του ρουλεμάν είναι ασυνήθιστα υψηλή, το σύστημα θα συνδυάσει τα δεδομένα ιστορικού φορτίου για να καθορίσει εάν πρόκειται για ανεπαρκή λίπανση ή φθορά του ρουλεμάν και θα προωθήσει συγκεκριμένες συστάσεις συντήρησης. Μετά την εφαρμογή αυτού του συστήματος, μια εταιρεία ζωοτροφών απέφυγε τρεις απρογραμμάτιστους χρόνους διακοπής λειτουργίας αντικαθιστώντας το γράσο και ρυθμίζοντας εκ των προτέρων το διάκενο του ρουλεμάν και η συνολική απόδοση του εξοπλισμού (OEE) αυξήθηκε κατά 18%. Επιπλέον, ο σχεδιασμός της αρθρωτής δομής γρήγορης αποδέσμευσης εμπνεύστηκε από την ανατροφοδότηση του προσωπικού συντήρησης πρώτης γραμμής. Μόνο τέσσερα μπουλόνια πρέπει να χαλαρώσουν για να ολοκληρωθεί η συνολική αντικατάσταση του πλανητικού σετ γραναζιών και ο χρόνος συντήρησης μειώνεται από 4 ώρες της παραδοσιακής κατασκευής σε 1,5 ώρα.
Όσον αφορά την προστασία του περιβάλλοντος και τη βελτιστοποίηση της ενεργειακής απόδοσης, ο καινοτόμος σχεδιασμός του κιβωτίου ταχυτήτων πηγάζει από την ακριβή κατανόηση των αναγκών της βιομηχανίας ζωοτροφών για μείωση του κόστους και αύξηση της απόδοσης. Η δομή απαγωγής θερμότητας δεν αυξάνει τυφλά την περιοχή απαγωγής θερμότητας, αλλά βελτιστοποιεί τη σπειροειδή γωνία και την απόσταση των νευρώσεων απαγωγής θερμότητας μέσω της προσομοίωσης μηχανικής ρευστών, έτσι ώστε η απόδοση φυσικής απαγωγής θερμότητας να αυξάνεται κατά 30%, μειώνοντας έτσι την κατανάλωση ενέργειας του ανεμιστήρα ψύξης. Στο σύστημα λίπανσης, υιοθετείται τεχνολογία παροχής λαδιού διπλής ζώνης για τη δυναμική προσαρμογή του όγκου λαδιού ανάλογα με το φορτίο, αποφεύγοντας τη μέθοδο λίπανσης «πλημμυρίζοντας» των παραδοσιακών κιβωτίων ταχυτήτων και μειώνοντας την κατανάλωση λιπαντικού κατά 25%. Η πραγματική μέτρηση μιας γραμμής παραγωγής ζωοτροφών που εξάγεται στην Ευρώπη δείχνει ότι το επίπεδο θορύβου του κιβωτίου ταχυτήτων είναι 5dB χαμηλότερο από το πρότυπο της ΕΕ και το επίπεδο ενεργειακής του απόδοσης φτάνει το πρότυπο IE3, βοηθώντας τους πελάτες να περάσουν με επιτυχία την πιστοποίηση ενεργειακής απόδοσης της χώρας εισαγωγής. Αυτή η σχεδιαστική ιδέα που συνδέει βαθιά τις τεχνικές λεπτομέρειες με την εμπορική αξία είναι το κλειδί για την αναγνώριση του προϊόντος που κερδίζει την αγορά.
Γειά σου! Είμαι η Elena García, μια πελάτισσα από τη Βαρκελώνη της Ισπανίας. Χρησιμοποιούμε το πλανητικό σας κιβώτιο ταχυτήτων στο σύστημα παρακολούθησης φωτοβολταϊκών πάνελ μας εδώ και ενάμιση χρόνο. Αυτός ο εξοπλισμός έχει λύσει πλήρως το πρόβλημα της ακρίβειας παρακολούθησης της ηλιοφάνειας - το κιβώτιο ταχυτήτων που χρησιμοποιούσαμε πριν είχε πάντα απόκλιση παρακολούθησης περίπου 5 μοιρών κάθε πρωί και βράδυ, ενώ το πλανητικό σας κιβώτιο ταχυτήτων με κωδικοποιητή μπορεί να ελέγξει το σφάλμα παρακολούθησης εντός 0,5 μοιρών. Τώρα η μέση ημερήσια παραγωγή ενέργειας των φωτοβολταϊκών πάνελ έχει αυξηθεί κατά 18% σε σύγκριση με πριν, ενώ ακόμη και ο λογαριασμός του ηλεκτρικού ρεύματος έχει μειωθεί σημαντικά. Τώρα αυτό το πλανητικό κιβώτιο ταχυτήτων έχει αντέξει στη δοκιμή του ψεκασμού αλατιού και των ισχυρών ανέμων στον φωτοβολταϊκό σταθμό παραγωγής ενέργειας στην παραλία. Η αντιδιαβρωτική επίστρωση του περιβλήματος του κιβωτίου ταχυτήτων δεν έχει δείξει σημάδια πτώσης και το εσωτερικό λάδι κιβωτίου ταχυτήτων δεν χρειάζεται να αντικαθίσταται τόσο συχνά όσο πριν. Ανυπομονώ να συνεργαστώ μαζί σας σε περισσότερα έργα ανανεώσιμων πηγών ενέργειας στο μέλλον!
Είμαι ο Hans Müller, μηχανολόγος μηχανικός από τη Γερμανία. Πριν από μισό χρόνο, αγόρασα τα πλανητικά κιβώτια ταχυτήτων της Raydafon για αναβαθμίσεις γραμμής παραγωγής. Μετά τη χρήση τους, ξεπέρασαν τις προσδοκίες μου! Ο εξοπλισμός λειτουργεί με υψηλό φορτίο για 16 ώρες την ημέρα για την επεξεργασία πρώτων υλών υψηλού ιξώδους. Ο θόρυβος του κιβωτίου ταχυτήτων μειώνεται κατά 20%, η απόδοση μετάδοσης είναι σταθερή σε περισσότερο από 94%, η αύξηση της θερμοκρασίας ελέγχεται πάντα εντός 25°C και η αντοχή είναι πολύ ανώτερη από τα παλιά μοντέλα. Η ομάδα σας ήταν επαγγελματική και αποτελεσματική σε όλη τη διαδικασία, από την πρώιμη βελτιστοποίηση παραμέτρων, τη ρύθμιση της δομής σφράγισης έως την απομακρυσμένη καθοδήγηση εντοπισμού σφαλμάτων. Ο λεπτομερής σχεδιασμός (όπως στεγανοποιήσεις από τη σκόνη και τυποποιημένες οπές στερέωσης) αντικατοπτρίζει περαιτέρω τη βαθιά κατανόηση των πραγματικών συνθηκών εργασίας. Η ποιότητα των προϊόντων και το επίπεδο εξυπηρέτησης της Raydafon με έκανε να το συμπεριλάβω στη λίστα των μακροπρόθεσμων προμηθευτών χωρίς δισταγμό και να το προτείνω ανεπιφύλακτα στους συνομηλίκους μου!
Έχω ένα ράντσο τόσα χρόνια και έχω αλλάξει πολλά κιβώτια ταχυτήτων. Μόλις χρησιμοποίησα το πλανητικό κιβώτιο ταχυτήτων της Raydafon κατάλαβα πραγματικά τι σημαίνει να είσαι χωρίς ανησυχία! Ο εξοπλισμός που χρησιμοποιούσα πριν ήταν πάντα ανεπαρκής κατά την ανάμειξη ενσίρωσης, και τα γρανάζια συχνά γλιστρούσαν. Δεν περίμενα το πλανητικό σου κιβώτιο ταχυτήτων να είναι τόσο δυνατό. Το προϊόν σας είναι πολύ πιο απλό στην εγκατάσταση από ό,τι νόμιζα, και είναι επίσης εύκολο στη συντήρηση. Την τελευταία φορά που έκανα καθημερινό έλεγχο μόνος μου, διαπίστωσα ότι το κιβώτιο ταχυτήτων ήταν πολύ καλά σφραγισμένο και δεν υπήρχε κανένα σημάδι διαρροής λαδιού. Σίγουρα θα συνεχίσω να σας στηρίζω και στο μέλλον και να σας προτείνω στους φίλους μου κτηνοτρόφους! ----Μαρκ Τζόνσον
Διεύθυνση
Βιομηχανική περιοχή Luotuo, περιοχή Zhenhai, πόλη Ningbo, Κίνα
Τηλ
ΗΛΕΚΤΡΟΝΙΚΗ ΔΙΕΥΘΥΝΣΗ


+86-574-87168065


Βιομηχανική περιοχή Luotuo, περιοχή Zhenhai, πόλη Ningbo, Κίνα
Πνευματικά δικαιώματα © Raydafon Technology Group Co., Limited Με την επιφύλαξη παντός δικαιώματος.
Links | Sitemap | RSS | XML | Πολιτική Απορρήτου |
