Κωδικός QR
Σχετικά με εμάς
Προϊόντα
Επικοινωνήστε μαζί μας

Τηλέφωνο

Φαξ
+86-574-87168065

ΗΛΕΚΤΡΟΝΙΚΗ ΔΙΕΥΘΥΝΣΗ

Διεύθυνση
Βιομηχανική περιοχή Luotuo, περιοχή Zhenhai, πόλη Ningbo, Κίνα
Ο Universal Coupling τύπου SWC-DH Short Flex Welding Type της Raydafon είναι κατασκευασμένος για να συνδέει κακώς ευθυγραμμισμένους άξονες σε βαρέως τύπου γρανάζια—σκεφτείτε ελασματουργεία, ανυψωτικά μηχανήματα και μηχανές επεξεργασίας χάλυβα. Είναι ένας συμπαγής κοντός εύκαμπτος γενικός σύνδεσμος, με διάμετρο περιστροφής που κυμαίνεται από 45 mm έως 390 mm. Ακόμη και όταν οι άξονες είναι απενεργοποιημένοι έως και 25 μοίρες (γωνιακή εσφαλμένη ευθυγράμμιση), εξακολουθεί να κινεί αποτελεσματικά τη ροπή — μεγιστοποιώντας τα 1000 kN·m, που ταιριάζει ακριβώς στις ανάγκες ισχύος του βαρέως εξοπλισμού.
Το φτιάχνουμε με ατσάλι υψηλής αντοχής 35CrMo και προσθέτουμε τέσσερα βελονοειδή ρουλεμάν, ώστε να αντέχει κάτω από μεγάλα φορτία. Αυτός είναι ο λόγος για τον οποίο είναι μια σταθερή επιλογή για συνδέσμους γενικής χρήσης βιομηχανικών μηχανημάτων και λειτουργεί εξαιρετικά ως βαρύς εξοπλισμός συγκολλημένοι γενικοί σύνδεσμοι σε σημεία όπου τα φορτία παραμένουν υψηλά ασταμάτητα. Ο σχεδιασμός του με μικρή ευκαμψία είναι επίσης τέλειος για μηχανές με ελάχιστο χώρο για αξονική κίνηση—προσφέρει μια σκληρή λύση μετάδοσης για σκληρούς βιομηχανικούς χώρους.
Η Raydafon είναι κατασκευαστής με έδρα την Κίνα με πιστοποίηση ISO 9001, επομένως τηρούμε αυστηρούς κανόνες ποιότητας για κάθε γενική ζεύξη SWC-DH. Ο σταυρός άξονας έχει μια πλάκα χρωμίου για την καταπολέμηση της διάβρωσης, έτσι ώστε να διαρκεί ακόμα και όταν οι συνθήκες είναι σκληρές. Ο συγκολλημένος ζυγός διευκολύνει επίσης την εγκατάσταση—απλώς ευθυγραμμίστε τους άξονες δεξιά και λειτουργεί στα καλύτερά του. Θα το βρείτε σε εξοπλισμό σε συστήματα μεταλλουργίας, εξόρυξης και γερανών, χωρίς πρόβλημα.
Επιπλέον, αυτός ο σύνδεσμος διατίθεται σε διαφορετικά μεγέθη και ονομασίες ροπής. Εάν χρειάζεστε έναν προσαρμοσμένο γενικό σύνδεσμο για βιομηχανικά μηχανήματα - ας πούμε, για θεριζοαλωνιστικές μηχανές ή άλλο συγκεκριμένο εξοπλισμό - μπορούμε να τον προσαρμόσουμε στις ανάγκες σας και η τιμή παραμένει ανταγωνιστική. Έχουμε την κατασκευαστική τεχνογνωσία για να κάνουμε αυτόν τον σύντομο εύκαμπτο σύνδεσμο να μειώσει το χρόνο διακοπής λειτουργίας του εξοπλισμού, ώστε τα μηχανήματα σας να λειτουργούν πιο αξιόπιστα συνολικά.
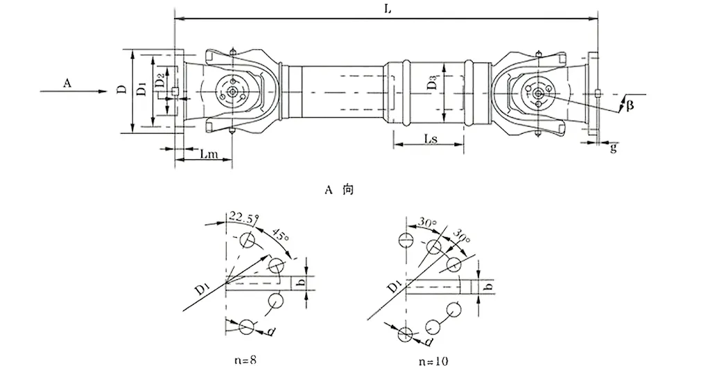
| Οχι. | Διάμετρος περιστροφής D mm | Ονομαστική ροπή Tn KN·m | Γωνία αναδίπλωσης αξόνων β (°) | Κουρασμένη ροπή Tf KN·m | Flex ποσότητα Ls mm | Μέγεθος (mm) | Περιστρεφόμενη αδράνεια kg.m2 | Βάρος (kg) | |||||||||||
| Lmin | Δ1 (js11) | Δ2 (H7) | D3 | Lm | n-d | k | t | b (h9) | g | Lmin | Αύξηση 100 χλστ | Lmin | Αύξηση 100 χλστ | ||||||
| SWC180DH1 | 180 | 20 | 10 | ≤25 | 75 | 650 | 155 | 105 | 114 | 110 | 8-17 | 17 | 5 | - | - | 0.165 | 0.0070 | 58 | 2.8 |
| SWC180DH2 | 55 | 600 | 0.162 | 56 | |||||||||||||||
| SWC180DH3 | 40 | 550 | 0.160 | 52 | |||||||||||||||
| SWC225DH1 | 225 | 40 | 20 | ≤15 | 85 | 710 | 196 | 135 | 152 | 120 | 20 | 5 | 32 | 9.0 | 0.415 | 0.0234 | 95 | 4.9 | |
| SWC225DH2 | 70 | 640 | 0.397 | 92 | |||||||||||||||
| SWC250DH1 | 250 | 63 | 31.5 | ≤15 | 100 | 795 | 218 | 150 | 168 | 140 | 8-19 | 25 | 6 | 40 | 12.5 | 0.900 | 0.0277 | 148 | 5.3 |
| SWC250DH2 | 70 | 735 | 0.885 | 136 | |||||||||||||||
| SWC285DH1 | 285 | 90 | 45 | ≤15 | 120 | 950 | 245 | 170 | 194 | 160 | 8-21 | 27 | 7 | 40 | 15.0 | 1.876 | 0.0510 | 229 | 6.3 |
| SWC285DH2 | 80 | 880 | 1.801 | 221 | |||||||||||||||
| SWC315DH1 | 315 | 125 | 63 | ≤15 | 130 | 1070 | 280 | 185 | 219 | 180 | 10-23 | 32 | 8 | 40 | 15.0 | 3.331 | 0.0795 | 346 | 8.0 |
| SWC315DH2 | 90 | 980 | 3.163 | 334 | |||||||||||||||
| SWC350DH1 | 350 | 180 | 90 | ≤15 | 140 | 1170 | 310 | 210 | 267 | 194 | 10-23 | 35 | 8 | 50 | 16.0 | 6.215 | 0..2219 | 508 | 15.0 |
| SWC350DH2 | 90 | 1070 | 5.824 | 485 | |||||||||||||||
| SWC390DH1 | 390 | 250 | 125 | ≤15 | 150 | 1300 | 345 | 235 | 267 | 215 | 10-25 | 40 | 8 | 70 | 18.0 | 11.125 | 0.2219 | 655 | |
| SWC390DH2 | 90 | 1200 | 10.763 | 600 | |||||||||||||||
* 1. Tf-κάτω από το φορτίο εναλλαγής φορτίστε τη ροπή που επιτρέπει ανάλογα με την αντοχή σε κόπωση. * 2. Lmin-το ελάχιστο μήκος μετά το κόψιμο. * 3. Μήκος εγκατάστασης L, το οποίο είναι σύμφωνα με την απαίτηση
Ο Universal Joint Coupling SWC, που συχνά ονομάζεται SWC Cardan Shaft Universal Joint Coupling, είναι βασικό συστατικό σε βιομηχανικά σενάρια βαρέως τύπου. Είναι απαραίτητο για ελασματουργεία, ανυψωτικά μηχανήματα και διάφορα μεγάλης κλίμακας συστήματα βαρέων μηχανημάτων. Ως γενικός σύνδεσμος σύνδεσης υψηλής ροπής, μπορεί να συνδέσει αποτελεσματικά δύο άξονες μετάδοσης με μη συμπίπτοντες άξονες, εξασφαλίζοντας αδιάλειπτη μετάδοση ισχύος ακόμη και κάτω από περίπλοκες και σκληρές συνθήκες εργασίας.
Οι βασικές τεχνικές παράμετροι αυτής της ζεύξης είναι οι εξής:
Διάμετρος περιστροφής: φ58 - φ620
Ονομαστική ροπή: 0,15 - 1000 kN·m
Γωνία δίπλωσης άξονα: ≤25°
Σε πρακτικές εφαρμογές, αποδίδει εξαιρετικά. Για παράδειγμα, κατά τη διάρκεια εργασιών ελασματουργείου, όταν απαιτείται ένας αξιόπιστος σύνδεσμος γενικής χρήσης βαρέως τύπου, αφιερωμένος σε ελασματουργεία, ή σε εξοπλισμό ανύψωσης και χειρισμού υλικών, όταν απαιτείται ανθεκτικός σύνδεσμος αρμού γενικής χρήσης SWC, αυτό το προϊόν είναι πλήρως ικανό. Ακόμη και κάτω από βαριά φορτία, μπορεί να διατηρήσει σταθερά τη λειτουργική σταθερότητα του εξοπλισμού.
Ο γενικός σύνδεσμος άρθρωσης SWC έχει σχεδιαστεί χρησιμοποιώντας προηγμένες αρχές μηχανικής, παρέχοντας εξαιρετική απόδοση και μεγαλύτερη διάρκεια ζωής σε βιομηχανικά περιβάλλοντα. Τα κύρια δομικά του χαρακτηριστικά είναι τα εξής:
Λογική και ασφαλής δομή: Διαθέτοντας ενσωματωμένο σχέδιο κεφαλής πιρουνιού, αυτός ο βιομηχανικός γενικός σύνδεσμος αρμού μειώνει τον κίνδυνο χαλάρωσης ή θραύσης του μπουλονιού, αυξάνοντας τη δομική αντοχή κατά 30%-50%. Αυτός ο σχεδιασμός εξασφαλίζει ασφαλή και αξιόπιστη λειτουργία, επεκτείνει τη διάρκεια ζωής σε σύγκριση με τα παραδοσιακά μοντέλα και αποτρέπει κοινές βλάβες σε σενάρια υψηλής πίεσης, όπως συστήματα σύνδεσης γενικής σύνδεσης βαρέων μηχανημάτων.
Ενισχυμένη φέρουσα ικανότητα: Ο γενικός σύνδεσμος βαρέως τύπου SWC έχει σχεδιαστεί ειδικά για να αντέχει βαριά φορτία, καθιστώντας τον απαραίτητο σε σενάρια που απαιτούν εξαιρετική διαχείριση φορτίου, όπως μηχανήματα εξόρυξης ή κατασκευής.
Υψηλή απόδοση μετάδοσης: Με απόδοση έως και 98,6%, αυτός ο αποτελεσματικός γενικός σύνδεσμος σύνδεσης για μετάδοση υψηλής ισχύος μειώνει σημαντικά την κατανάλωση ενέργειας και το σχετικό κόστος, καθιστώντας τον την πρώτη επιλογή για εξοικονόμηση ενέργειας καθολικές λύσεις σύνδεσης συνδέσμων σε βιομηχανικά συστήματα μετάδοσης υψηλής ισχύος.
Σταθερή λειτουργία με χαμηλό θόρυβο: Αυτός ο γενικός σύνδεσμος σύνδεσης χαμηλού θορύβου λειτουργεί σταθερά με επίπεδα θορύβου συνήθως μεταξύ 30-40 dB(A), εξασφαλίζοντας αθόρυβη απόδοση. Είναι ιδανικό για περιβάλλοντα ευαίσθητα στο θόρυβο, ενώ διατηρεί υψηλή αξιοπιστία.
Οι σύνδεσμοι γενικής χρήσης, ειδικά ο σύνδεσμος κοινής άρθρωσης καρτανίου SWC, έχουν γίνει απαραίτητα εξαρτήματα μετάδοσης σε βιομηχανικές εφαρμογές λόγω των εξαιρετικών πλεονεκτημάτων τους. Μπορούν να καλύψουν βασικές ανάγκες με τις επιδόσεις τους σε τομείς όπως τα βαρέα μηχανήματα, η κατασκευή ακριβείας και η μετάδοση ενέργειας. Ακολουθεί μια λεπτομερής ανάλυση των βασικών πλεονεκτημάτων τους:
1. Ισχυρή μετάδοση ροπής και εξαιρετική αντιστάθμιση κακής ευθυγράμμισης
Ως γενικός σύνδεσμος σύνδεσης υψηλής ροπής, μπορεί να μεταφέρει σταθερά φορτία υψηλής ισχύος. Ακόμη και σε σενάρια όπου η κακή ευθυγράμμιση του άξονα εμφανίζεται συχνά κατά τη λειτουργία του ελασματουργείου - όπως η αξονική μετατόπιση που προκαλείται από τη φθορά του κυλίνδρου και τις αλλαγές θερμοκρασίας κατά την έλαση χάλυβα - αυτός ο αξιόπιστος σύνδεσμος γενικής χρήσης βαρέως τύπου για εργασίες ελασματουργείου μπορεί να το χειριστεί με ευκολία. Μπορεί ταυτόχρονα να αντισταθμίσει γωνιακές, αξονικές και ακτινικές αποκλίσεις, με μέγιστη γωνιακή εσφαλμένη ευθυγράμμιση έως και 25 μοίρες. Αυτή η εξαιρετική προσαρμοστικότητα λανθασμένης ευθυγράμμισης αποτρέπει τις εμπλοκές μετάδοσης που προκαλούνται από κακή ευθυγράμμιση άξονα, εξασφαλίζει συνεχή και σταθερή παροχή ισχύος, μειώνει σημαντικά την πιθανότητα μηχανικών βλαβών σε ακραίες συνθήκες εργασίας και εγγυάται τη συνεχή λειτουργία των γραμμών παραγωγής.
2. Υψηλή ανθεκτικότητα και μεγαλύτερη διάρκεια ζωής
Ο σχεδιασμός και η επιλογή υλικών των γενικών συνδέσμων άρθρωσης SWC επικεντρώνονται στην "αντίσταση σε βαριά φορτία και αντοχή σε σκληρά περιβάλλοντα". Το κύριο σώμα είναι κατασκευασμένο από κράμα χάλυβα υψηλής αντοχής, σε συνδυασμό με μια ενσωματωμένη δομή κεφαλής πιρουνιού, η οποία μειώνει θεμελιωδώς τα κοινά σημεία αστοχίας, όπως το χαλάρωση των μπουλονιών και το σπάσιμο των εξαρτημάτων. Λαμβάνοντας ως παράδειγμα τον ανθεκτικό σύνδεσμο άξονα κοινής άρθρωσης SWC που χρησιμοποιείται στον εξοπλισμό ανύψωσης και χειρισμού υλικών, μπορεί να αντέξει το στιγμιαίο φορτίο κρούσης κατά την ανύψωση βαρέων αντικειμένων και να διατηρήσει σταθερή απόδοση σε σκληρά περιβάλλοντα όπως η σκόνη και οι υψηλές θερμοκρασίες. Σε σύγκριση με τους παραδοσιακούς συνδέσμους διαιρούμενης δομής, αυτός ο βιομηχανικός σύνδεσμος γενικής χρήσης έχει συνολική αντοχή αυξημένη κατά 30%-50%, γεγονός που όχι μόνο μειώνει τη συχνότητα της καθημερινής συντήρησης αλλά και επεκτείνει τη διάρκεια ζωής κατά 2-3 χρόνια. Είναι ιδιαίτερα κατάλληλο για τις μακροπρόθεσμες ανάγκες λειτουργίας υψηλού φορτίου των βαρέων μηχανημάτων καθολικών συστημάτων ζεύξης αρμών.
3. Υψηλή απόδοση μετάδοσης και σημαντικό αποτέλεσμα εξοικονόμησης ενέργειας
Οι δοκιμές έδειξαν ότι η απόδοση μετάδοσης του συνδέσμου γενικής σύνδεσης βαρέως τύπου SWC είναι τόσο υψηλή όσο 98,6%, γεγονός που έχει προφανή πλεονεκτήματα σε σενάρια βιομηχανικής μετάδοσης υψηλής ισχύος—όπως ανεμιστήρες υψικαμίνων σε χαλυβουργικές μονάδες και συστήματα μεταφοράς άνθρακα σε σταθμούς ηλεκτροπαραγωγής. Για εξοπλισμό που απαιτεί συνεχή μετάδοση υψηλής ισχύος, η αντιστοίχιση με αυτόν τον αποτελεσματικό γενικό σύνδεσμο άρθρωσης για μεγάλη μετάδοση ισχύος μπορεί να ελαχιστοποιήσει την απώλεια ισχύος. Για επιχειρήσεις που επιδιώκουν λύσεις εξοικονόμησης ενέργειας καθολικής ζεύξης, αυτή η υψηλή απόδοση μπορεί να μετατραπεί άμεσα σε πλεονεκτήματα κόστους: λαμβάνοντας ως παράδειγμα έναν βιομηχανικό κινητήρα 1500 kW, μπορεί να εξοικονομήσει περισσότερα από 12.000 γιουάν σε κόστος ηλεκτρικής ενέργειας ετησίως και μπορεί να βοηθήσει τις επιχειρήσεις να μειώσουν σημαντικά το λειτουργικό κόστος σε μακροπρόθεσμη χρήση, ενώ συμμορφώνονται με τη βιομηχανική τάση εξοικονόμησης ενέργειας.
4. Σταθερή και αθόρυβη λειτουργία, Κατάλληλο για πολλαπλά σενάρια
Βελτιστοποιώντας την ακρίβεια προσαρμογής του ρουλεμάν και χρησιμοποιώντας λιπαντικό γράσο με χαμηλό συντελεστή τριβής, ο θόρυβος λειτουργίας αυτού του συνδέσμου γενικής σύνδεσης χαμηλού θορύβου ελέγχεται αυστηρά στα 30-40 dB(A), που ισοδυναμεί με το επίπεδο θορύβου περιβάλλοντος ενός καθημερινού γραφείου και συμμορφώνεται πλήρως με τα πρότυπα εκπομπής θορύβου των βιομηχανικών εγκαταστάσεων. Σε σενάρια ευαίσθητα στον θόρυβο —όπως γραμμές παραγωγής σε μονάδες επεξεργασίας τροφίμων και εξοπλισμός μεταφοράς ηλεκτρονικών εξαρτημάτων ακριβείας— μπορεί όχι μόνο να εξασφαλίσει τη σταθερότητα και την αξιοπιστία του συστήματος μετάδοσης αλλά και να αποφύγει να επηρεάσει το περιβάλλον του συνεργείου ή την εμπειρία λειτουργίας των εργαζομένων λόγω θορύβου. Ταυτόχρονα, τα σταθερά χαρακτηριστικά μετάδοσης μπορούν επίσης να μειώσουν τη φθορά των γύρω εξαρτημάτων που προκαλούνται από κραδασμούς του εξοπλισμού, βελτιώνοντας περαιτέρω τη σταθερότητα λειτουργίας και τη διάρκεια ζωής ολόκληρου του συστήματος παραγωγής.
Ο γενικός σύνδεσμος τύπου συγκόλλησης βραχείας ευκαμψίας SWC-DH, που συχνά αναφέρεται ως σύνδεσμος γενικής άρθρωσης καρτανίου άξονα SWC, χρησιμοποιείται κυρίως σε σενάρια βαρέων μηχανημάτων όπως ελασματουργεία και ανυψωτικά. Αυτός ο τύπος εξοπλισμού έχει εξαιρετικά υψηλές απαιτήσεις για δομική συμπαγή και ευελιξία—μόνο με την τήρηση αυτών των δύο σημείων μπορεί να επιτευχθεί αποτελεσματική λειτουργία και αυτή η σύζευξη ανταποκρίνεται τέλεια σε τέτοιες ανάγκες. Ως γενικός σύνδεσμος σύνδεσης υψηλής ροπής, μπορεί να συνδέσει αποτελεσματικά δύο άξονες μετάδοσης με μη συμπίπτοντες άξονες, διασφαλίζοντας απρόσκοπτη μετάδοση ισχύος ακόμη και σε σκληρά βιομηχανικά περιβάλλοντα που απαιτούν ακριβή αντιστάθμιση για κακή ευθυγράμμιση του συστήματος αξόνων.
Σε πρακτικές εφαρμογές, είτε απαιτείται αξιόπιστος σύνδεσμος γενικής χρήσης βαρέως τύπου για τις εργασίες ελασματουργείου είτε απαιτείται ανθεκτικός σύνδεσμος γενικής άρθρωσης SWC στον εξοπλισμό ανύψωσης και χειρισμού υλικών, αυτό το προϊόν μπορεί να αποδώσει άριστα—μπορεί να διατηρήσει σταθερή τη λειτουργία του εξοπλισμού ακόμη και κάτω από ακραία φορτία. Το πλεονέκτημα προσαρμοστικότητάς του είναι ιδιαίτερα εμφανές σε διατάξεις συμπαγούς εξοπλισμού όπου ο χώρος είναι περιορισμένος και απαιτείται σύντομος σχεδιασμός ευέλικτης δομής.
Αυτός ο βιομηχανικός κοινός σύνδεσμος SWC-DH είναι κατασκευασμένος με προηγμένη τεχνολογία μηχανικής και βελτιστοποιημένος για απόδοση και διάρκεια ζωής ειδικά για βιομηχανικά σενάρια. Το βασικό δομικό χαρακτηριστικό του έγκειται στον λογικό και ασφαλή σχεδιασμό του: η ενσωματωμένη δομή κεφαλής πιρουνιού εξαλείφει ουσιαστικά τους κρυφούς κινδύνους χαλάρωσης ή θραύσης του μπουλονιού, αυξάνοντας τη συνολική αντοχή κατά 30%-50%. Αυτός ο σχεδιασμός όχι μόνο διασφαλίζει την ασφάλεια και την αξιοπιστία της λειτουργίας, αλλά και επεκτείνει τη διάρκεια ζωής σε σύγκριση με τα παραδοσιακά μοντέλα, αποφεύγοντας τα κοινά προβλήματα αστοχίας σε σενάρια εφαρμογών υψηλής καταπόνησης όπως τα συστήματα γενικής ζεύξης αρμών βαρέων μηχανημάτων.
Επιπλέον, η φέρουσα ικανότητα του ενισχύεται μέσω του σχεδιασμού για να αντέχει μεγαλύτερα βάρη, έτσι αυτός ο γενικός σύνδεσμος βαρέως τύπου SWC είναι πολύ κατάλληλος για σενάρια με αυστηρές απαιτήσεις φέρουσας ικανότητας, όπως μηχανήματα εξόρυξης και κατασκευαστικό εξοπλισμό. Όσον αφορά την απόδοση μετάδοσης, φτάνει έως και το 98,6%. Ως αποτελεσματικός γενικός σύνδεσμος σύνδεσης για μεγάλη μετάδοση ισχύος, μπορεί να μειώσει σημαντικά την κατανάλωση ενέργειας και το κόστος ηλεκτρικής ενέργειας, καθιστώντας τον ένα προτιμώμενο προϊόν για λύσεις εξοικονόμησης ενέργειας γενικής σύνδεσης στον τομέα της βιομηχανικής μετάδοσης υψηλής ισχύος.
Τέλος, αυτός ο σύνδεσμος διαθέτει σταθερή μετάδοση, με τον θόρυβο λειτουργίας που συνήθως ελέγχεται στα 30-40 dB(A), καθιστώντας τον έναν γενικό σύνδεσμο σύνδεσης χαμηλού θορύβου. Αυτό το χαρακτηριστικό του επιτρέπει να λειτουργεί αθόρυβα ακόμη και σε βιομηχανικά σενάρια ευαίσθητα στον θόρυβο, ενώ διατηρεί υψηλή αξιοπιστία ανά πάσα στιγμή.
⭐⭐⭐⭐⭐ Wang Lei, Μηχανικός Έργου, Guangdong Heavy Machinery Co., Ltd.
Χρησιμοποιούμε τον Universal Coupling τύπου SWC-DH Short Flex Welding Type της Raydafon στα βαριά μηχανήματα μας εδώ και λίγο καιρό και είναι μια ευχάριστη έκπληξη — ειδικά όταν πρόκειται για την τοποθέτηση σε στενά σημεία. Ο εξοπλισμός μας έχει αρκετά περιορισμένο χώρο για εξαρτήματα μετάδοσης, αλλά ο συμπαγής σχεδιασμός αυτού του συνδέσμου ταιριάζει σαν γάντι, δεν χρειάζεται να αναδιατάξετε άλλα εξαρτήματα μόνο για να λειτουργήσει.
Το ακόμη καλύτερο είναι ότι δεν θυσιάζει την απόδοση για το μέγεθος. Εξακολουθεί να παρέχει ισχυρή, σταθερή μετάδοση ροπής - κρίσιμης σημασίας για τις βαριές λειτουργίες μας. Το λειτουργούμε συνεχώς για εβδομάδες και δεν υπάρχει μη φυσιολογική δόνηση. όλο το σύστημα παραμένει ομαλό. Η ποιότητα της συγκόλλησης είναι επίσης ένα άλλο χαρακτηριστικό — μπορείτε να καταλάβετε ότι είναι σταθερό κοιτάζοντάς το, κάτι που μας δίνει απόλυτη εμπιστοσύνη ότι θα αντέξει σε μακροχρόνια βαριά χρήση. Για έναν σύνδεσμο που εξισορροπεί τον σχεδιασμό και την αξιοπιστία εξοικονόμησης χώρου, αυτός είναι ο νικητής.
⭐⭐⭐⭐⭐ Zhao Ming, Διευθυντής Προμηθειών, Tianjin Steel Equipment Co., Ltd.
Πρόσφατα παραγγείλαμε αρκετούς συνδέσμους SWC-DH από τη Raydafon, και πρέπει να πω ότι η όλη διαδικασία προμήθειας ήταν απίστευτη—χωρίς πονοκεφάλους, χωρίς καθυστερήσεις. Από τη στιγμή που στείλαμε την παραγγελία, η ομάδα τους ανταποκρίθηκε και η παράδοση εμφανίστηκε ακριβώς την προγραμματισμένη ημερομηνία, κάτι που είναι ένα μεγάλο πλεονέκτημα για τη διατήρηση της παραγωγής μας σε καλό δρόμο. Η συσκευασία ήταν επίσης κορυφαία: κάθε σύνδεσμος ήταν τυλιγμένος με ασφάλεια, χωρίς βαθουλώματα ή ζημιές κατά τη διάρκεια της αποστολής—απλώς έτοιμος για αποσυσκευασία και εγκατάσταση.
Η τεχνική ομάδα μας χειρίστηκε τη ρύθμιση και ανέφερε αμέσως πόσο εύκολη ήταν η τοποθέτηση. Χωρίς περίπλοκα βήματα, χωρίς ανάγκη να κυνηγήσετε ειδικά εργαλεία—το τοποθέτησαν γρήγορα και από τότε λειτουργεί αξιόπιστα. Όταν λαμβάνετε υπόψη τη λογική τιμή σε συνδυασμό με αυτήν τη σταθερή απόδοση, είναι σαφές ότι αυτή η σύζευξη προσφέρει μεγάλη αξία. Σχεδιάζουμε ήδη να το διατηρήσουμε στην τακτική λίστα προμηθειών μας. είναι το είδος του προϊόντος που διευκολύνει τη δουλειά μου ως αγοραστή.
⭐⭐⭐⭐⭐ Liu Hong, Maintenance Director, Shandong Industrial Group
Ως κάποιος που επιβλέπει τη συντήρηση του εξοπλισμού, η μεγαλύτερη προτεραιότητά μου είναι να μειώσω το χρόνο διακοπής λειτουργίας και να μειώσω τον χρόνο που αφιερώνει η ομάδα μου για την συντήρηση των ανταλλακτικών. Ο σύνδεσμος SWC-DH της Raydafon ελέγχει τέλεια και τα δύο αυτά κουτιά. Το χρησιμοποιούμε σε εξοπλισμό που λειτουργεί κάτω από μεγάλο φόρτο εργασίας καθημερινά και δεν γλιστράει ή μετατοπίζεται ποτέ — παραμένει σταθερά στη θέση του, χωρίς χαλαρές συνδέσεις. Ακόμη και μετά από μήνες χρήσης, δεν υπάρχει σχεδόν κανένα σημάδι φθοράς, κάτι που είναι μια τεράστια αντίθεση με άλλους συνδέσμους που έχουμε χρησιμοποιήσει στο παρελθόν.
Με αυτούς τους παλαιότερους συνδέσμους, προγραμματίζαμε πάντα γρήγορες επιδιορθώσεις ή αντικαταστάσεις ανταλλακτικών, οι οποίες εξαντλούσαν τον χρόνο παραγωγής και πρόσθεταν το κόστος. Αυτό; Το αγγίζουμε ελάχιστα—χωρίς συχνό σέρβις, χωρίς απροσδόκητες βλάβες. Μας εξοικονόμησε τόσο πολύ χρόνο και χρήμα στη συντήρηση, και απλώς συνεχίζει να κάνει τη δουλειά του αξιόπιστα. Αυτές τις μέρες, έχει γίνει βασικό στοιχείο στις καθημερινές μας λειτουργίες. Δεν χρειάζεται να ανησυχώ μήπως αποτύχει, κάτι που με αφήνει να εστιάσω σε άλλες προτεραιότητες. Είναι ακριβώς το είδος του αξιόπιστου ανταλλακτικού που χρειάζεται κάθε ομάδα συντήρησης.
Διεύθυνση
Βιομηχανική περιοχή Luotuo, περιοχή Zhenhai, πόλη Ningbo, Κίνα
Τηλ
ΗΛΕΚΤΡΟΝΙΚΗ ΔΙΕΥΘΥΝΣΗ


+86-574-87168065


Βιομηχανική περιοχή Luotuo, περιοχή Zhenhai, πόλη Ningbo, Κίνα
Πνευματικά δικαιώματα © Raydafon Technology Group Co., Limited Με την επιφύλαξη παντός δικαιώματος.
Links | Sitemap | RSS | XML | Πολιτική Απορρήτου |
